ITEC LOGO 150 X

Professional audio engineering

Download       Reference   SLOVENSKO  AUSTRIA  DEUTSCH  ITALIANO  ENGLISH

ITEC*NET   POŽARNO & EVAKUACIJSKO OZVOČENJE

Kontakt     041 996 535

HOME        Podjetje        Izdelki                                                     

POŽARNO OZVOČENJE

EVAKUACIJE

ITEC*NET   KOMPONENTE

ITEC*NET

KAJ JE ITEC*NET

    ITEC -   ITEC*NET

     ITEC -   DANTE BRIDGE

     ITEC -   SPIDER  04 / 03

     ITEC -   SPIDER  88

     ITEC -   SPIDER  44 / 03

     ITEC -   SPIDERLINE  16

     ITEC -   DISPLAY CONTROL UNIT

     ITEC -   PANEL CONTROL UNIT

     ITEC -   VAC CONTROL PANEL

     ITEC -   SPIDERMIKE  2

     ITEC -   CALLSTATION 1-8

     ITEC -   CALLSTATION 1-3

     ITEC -   GASILSKA POSTAJA F3033

     ITEC -   GASILSKA POSTAJA RS485

     ITEC -   SWITCH  4/1

     ITEC -   CAT 5 REPEATER

     ITEC -   DIGIPOWER Ojačevalniki

     ITEC -   EOL 3

     ITEC -   AVC - MIKROFON

     ITEC -   AVC - MONITORING

     ITEC -   EARTH FAULT MONITORING

     ITEC -   IO EXPANDER

     ITEC -   I-O RELAY  EXPANDER

     ITEC -   O RELAY  EXPANDER

     ITEC -   I-O EXP: RELAY EXTENSION

     ITEC -   LINE DETECTION MODUL 

     ITEC -   UP REMOTE

     ITEC -   IND. SD-CARD

     ITEC -   SPM-DM - MIC

     ITEC -   REZERVNO NAPAJANJE

     ITEC -   API

     ITEC -   NET DESIGN

     ITEC -   EN 54-24 ZVOČNIKI

     ITEC -   ITEC*NET

.

PRENOSNO OZVOČENJE

MIKROFONI

AUDIO PROCESSING

OJAČEVALNIKI

ZVOČNIKI

ŠOLSKO - SPLOŠNO OZVOČENJE

ITEC LED DISPLAY

.

TOUR GUIDE SISTEMI

AUDIO GUIDE SISTEMI

INTERKOM ENOTE

.

ITEC -   PODJETJE

ITEC -   PROJEKTNA PODPORA

ITEC -   PROIZVODNJA ELA CENTRAL

ITEC -   MADE IN AUSTRIA

ITEC -   V SLUŽBI CERKVE

ITEC -   ZA POGREBNIKE

ITEC -   ZUNANJA RABA

ITEC -   VRTOVI - TERASE

ITEC -   PRENOSNO OZVOČENJE

ITEC -   PO NAROČILU

ITEC -   IZDELKI

.

PDF DOWNLOAD

REFERENCE

KONTAKT

Tel.: 041 996 535

info@itec-audio.si

 

 

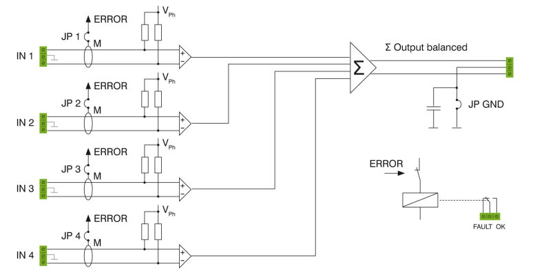
AVC - MONITORING  ITEC-NET System EN54-16

 AVC-MONITORING

ITEC AVC-Monitoring  je modul za spremljanje do štiri mikrofon vrstic (posebej zasnovan za uporabo z ITEC AVC-Mic).

  • Podpira samodejno prilagajanje glasnosti glede na hrup v okolju.
  • Priključitev do 4 ITEC AVC MIC možno
  • Podpira Mikrofon- in Line-Pegel
  • Zagotavlja oskrbo povezanih mikrofonov s fantomsko napetostjo 12V
  • Vse povezave preko vtične sponke
  • Sporočilo o napaki preko rele stikala (Fault / Okay)
    .

AVC-MONITORING 02   777 X

 

AVC-MONITORING MERE   777 X

 

AVC - MONITORING  ITEC-NET System EN54-16

Napajanje:

   24VDC

Poraba::

   max. 100 mA

Napajanje za mikrofone:

   12-VDC  (galvanically isolated from power supply)

Monitoring per line:

   open, short, short to ground

Relais kontakt:

   max. 48 Volt/500mA

Delovna temperatura:

   -5°C - +40°C

Design- zasnova:

   Open frame za vgradnjo v ohišja

Mere:

   75 x 70 x 40 mm

Teža:

   0,1 kg

Montaža:

   DIN-rail 35 mm

 

 

 

AVC-MONITORING APLIKACIE   777 X

 

 

KONTAKT               PODJETJE                IZDELKI                SPLOŠNI POGOJI

ITEC LOGO 150 X

Vse informacije so brez jamstva,  tehnične spremembe so možne kadarkoli

ITEC AUDIO    Etbin Klemenčič s.p.    ROŠNJA 5E    2205 STARŠE    Tel.: 041 996 535    ID za DDV: SI87238551

www.itec-audio.si      info@itec-audio.si         Tel.: 00386 41 996 535   ITEC  ©   MADE IN AUSTRIA 50 X   ISO 9001ITEC Certificirani po  ISO 9001-14001 

.                                                           

.

 

.

 

.