ozvočenje, šolsko ozvočenje, ozvočenje za cerkve, mobilno ozvočenje, prenosno ozvočenje, akumulatorsko ozvočenje, baterijsko ozvočenje, šolski zvonec, Digitalno ozvočenje,  100V ozvocenje, Linijsko ozvocenje, Mikrofoni, Zvočniki, Profesionalno ozvočenje, Ojačevalci, Zvočni stebri, govorniški pult, Active-Box, Twin-Box, Mikrofoni, audio matrike,končne stopnje, Powermix, Multipower, ELA,

ITEC LOGO 150 X

 

 

 

 

Download       Reference    SLOVENSKO  AUSTRIA  DEUTSCH  ITALIANO  ENGLISH

Professional audio engineering         Kontakt     041 996 535   info@itec.si

  HOME        Podjetje        Izdelki           Šolsko - splošno ozvočenje              Šolski zvonec                     Požarno ozvočenje      

Prenosno ozvočenje

Zvočniki

Audio Processing

Ojačevalniki

Mikrofoni

Tour Guide

Audio Guide

Intercom

ITEC*NET

DigiPower 2x500T D

Digital Power Amplifier for professional PA/VA Applications

DIGIPOWER 2 X 500T D   777 X

  • Napajalnik 230 VAC in 24 VDC z avtomatskim preklopom
  • Ločeno napajanje na kanal ojačevalnika
  • Samodejno delovanje v stanju pripravljenosti
  • Kontrolne LED diode za vsa stanja signala in delovanja
  • Nadzorni kontakti za končne stopnje, AC in DC napajanje
  • 100V direktni izhodi
  • Simetrični vhodi
  • 2 kanala v 2U 19” inčnem ohišju
  • Vgradna globina 322 mm
  • Vsi priključki z vtičnimi sponkami
  • Zaščitna vezja: Samodejni izklop v primeru previsoke temperature, preobremenitve in kratkega stika zvočniških vodov

DIGIPOWER 2 X 500T D FRONT - BACK   777 X

Štirikanalni digitalni ojačevalnik z nazivno močjo 4x500 W za profesionalne elektro-akustične glasovne alarmne sisteme.
Elektronska zaščitna vezja zagotavljajo potrebno varnost ojačevalnika. V primeru izpada električne energije sistem samodejno preklopi v zasilni način napajanja (24V baterija).
Zelo zanesljiva elektronska zasnova zagotavlja brezkompromisno kakovost prenosa in dolgoletno brezhibno delovanje. Zahvaljujoč digitalni obdelavi signalov, do 90-odstotni izkoristek in le malo odpadne toplote.

  • Temperaturno odvisno krmiljenje ventilatorja
  • Spremljanje kontaktov za vse kanale
  • Digitalni ojačevalniki moči
  • Samo 322 mm vgradne globine
  • Kontrolniki ravni za vsak kanal na zadnji strani
  • Prikaz vseh delovnih stanj preko LED diod

DIGIPOWER 2 X 500T D PRIKLOPI   777 X

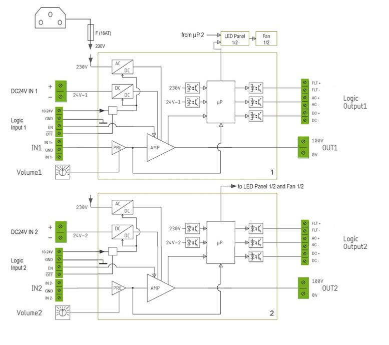
BLOK DIAGRAM

OJACEVALNIK ITEC 2 X 500 T-D BLOCK   777 X

TEHNIČNI PODATKI

DIGIPOWER 2 X 500T D   MERE   777 X

.

Min.

Typ.

Max.

NAPAJANJE AC

85 VAC

230 VAC

265 VAC

PORABA 230 VAC (OUT: 2x Sinus 100 V, 1kHz @ 20 Ohm)

5,5 A

ZAHTEVANO NAPAJANJE 230 VAC (OUT: 2x Sinus 100 V, 1kHz @ 20 Ohm)

1250 W

.

NAPAJANJE DC

21 VDC

24 VDC

27.6 VDC

PORABA  24 VDC (OUT: 2x Sinus 100 V, 1kHz @ 20 Ohm)

2 x 26A

ZAHTEVANO NAPAJANJE 24 VDC (OUT: 2x Sinus 100 V, 1kHz @ 20 Ohm)

2 x 625 W

.

ZAHTEVANO NAPAJANJE  Standby @ 230 VAC

14 W

ZAHTEVANO NAPAJANJE  Standby @ 24 VDC

2 x 7 W

ZAHTEVANO NAPAJANJE Off

0.05 W

.

IZHODNA MOČ (RMS, 20 Ohm, 100 V) @ 230 VAC

2 x 500 W

IZHODNA MOČ (RMS, 20 Ohm, 100 V) @ 24 VDC

2 x 500 W

THD + N (20 Hz – 20 kHz, 100 mW – 100 W, 100 Ohm)

0.1 %

RAZDALJA ZUNANJE NAPETOSTI (A-gewichtet)

102 dB

VHODNI UPOR NA KANAL

10 kOhm

FREKVENČNI ODZIV (-3 dB)

10 Hz

-

30 kHz

DOBIČEK NAPETOSTI

42.2 dB

NAJVEČJA IZHODNA NAPETOST

105 VRMS

SPLOŠNI TEHNIČNI PODTAKI

MERE  (ŠxVxG)

483 mm x 88 mm x 322 mm

TEŽA

4,4 kg

KONTAKT               PODJETJE                IZDELKI                SPLOŠNI POGOJI

ITEC LOGO 150 X

Vse informacije so brez jamstva,  tehnične spremembe so možne kadarkoli

ITEC AUDIO    Etbin Klemenčič s.p.    ROŠNJA 5E    2205 STARŠE    Tel.: 041 996 535    ID za DDV: SI87238551

www.itec-audio.si      info@itec-audio.si         Tel.: 00386 41 996 535   ITEC  ©   MADE IN AUSTRIA 50 X   ISO 9001ITEC Certificirani po  ISO 9001-14001 

.                                                           

.

 

.

 

.